
11
22
33
44
E
E
D
D
C
C
B
B
A
A
DAH
CCDHI
CCDLO
DAL
/SMSEL
/LD /VIDEO
PMCLK PMCLK-A
LEDMHPS
LEDSPPD
LEDMFD
/MRPS2
MRMT2
MRMT0
SPMT-2
MRMT1
MRMT-3
SPMT-1
MRMT3
MRMT-0
SPMT-3
/MRPS1
MRMT-2
24V-mir
SPMT-0
MRMT-1
LEDPPD2
LEDPPD1
LEDPOD
5V
12V
12V
A5V
5V
24V
24V
5V
5V
-
+
LM358
IC109B
HF50ACC201209
L7
HF50ACC201209
L8
HF50ACC201209
L14
HF50ACC201209
L13
HF50ACC201209
L15
0.1u
C358
2200p
C343
10KF
R273
10KF
R274
2.4KJ
R268
2.4KJ
R267
100J
R248
2200p
C342
100p
C236
100p
C235
SLA7027MU
IC12
74VHC08
IC111C
22000p
C344
0.1u
C345
2MJ
R265
2MJ
R266
-
+
NJM3414A
IC110B
0.1u
C379
-
+
NJM3414A
IC110A
10u 16V
C15
0.1u
C263
74LS07
IC106C
150J1/4W
R275
150J1/4W
R294
150J1/4W
R150
620J
R235
RSB-24
RY1
C305
C316
470p
C298
C304
C331
1J 2W
R5
47KJ
R255
ICP-N38 (ROHM)
CP2
C322
47u 25V
C14
2200p
C341
C355
1J 2W
R4
RSB-24
RY2
C290
47KJ
R254
750J
R256
300J
R236
470p
C297
47u 35V
C16
C289
220J1/4W
R156
150J1/4W
R169
150J1/4W
R269
48
7
6
5
18
OUT B
17
IN B
16
IN/B
15
GB
14
REFB
13
TDB
12
VSB
11
OUT/B
10
RSB
9
RSA
8
OUT A
7
VSA
6
IN A
5
IN/A
4
GA
3
REFA
2
TDA
1
OUT/A
8
10
9
48
7
6
5
48
1
2
3
65
(6-D4)
AN-GND
(4-D3)
(6-A1)
(7-A1)
(7-B1)
(7-B1)
(6-A1)
(6-A1)
(7-A1)
(6-A1)
(6-A1,7-B1)
(4-D2)
(4-D2)
(1-C4)
(1-C4)
(1-C4)
(1-C4)
(6-C2)
(7-B1)
(6-B2)
(6-D1)
(6-D2)
(6-C1)
(6-E3)
(6-E3)
(1-C4)
(1-C4)
(6-D4)(5-B4)
(1-D2)
AN-GND
AN-GND
AN-GND
P-GND
16
9
13
9
1000pF*8
1
6
4
6
16
8
13
8
1
11
4
11
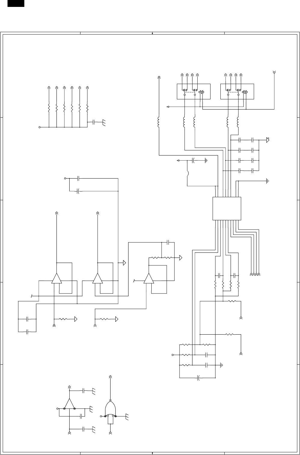
MCU 3 (OUTPUT SECTION 1)
AR-F152
13 – 3
Komentarze do niniejszej Instrukcji