
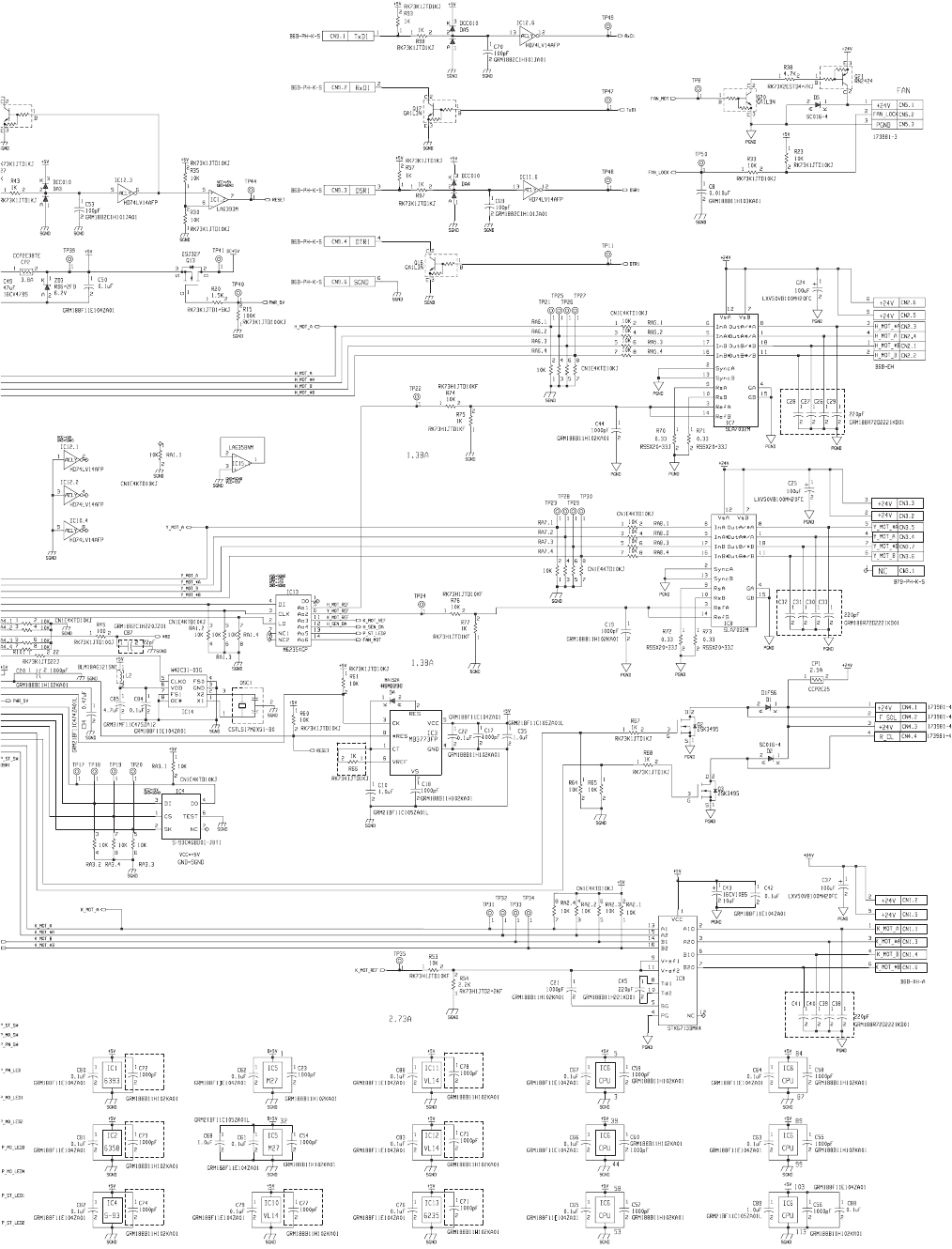
AR-CF2 CIRCUIT DIAGRAM AND PARTS LAYOUT / 回路図と部品配置図 3 - 2
no-mounting
no-mounting
no-mounting
no-mounting
no-mounting no-mounting
no-mounting
no-mounting
no-mounting
no-mounting
no-mounting
no-mounting
Flapper Solenoid
Registration Clutch
Horizontal Transport
Motor
Reverse Motor
Paper Feed Motor
Finisher I/F
Komentarze do niniejszej Instrukcji