Many
Manuals
search
Kategorie
Marki
Strona główna
Sharp
Projektory
PG-A20X
Instrukcja Obsługi
Sharp PG-A20X Instrukcja Obsługi Strona 102
Pobierz
Podziel się
Dzielenie się
Dodaj do moich podręczników
Drukuj
Strona
/
124
Spis treści
BOOKMARKI
Oceniono
.
/ 5. Na podstawie
oceny klientów
1
2
3
4
5
6
7
8
9
10
11
12
13
14
15
16
17
18
19
20
21
22
23
24
25
26
27
28
29
30
31
32
33
34
35
36
37
38
39
40
41
42
43
44
45
46
47
48
49
50
51
52
53
54
55
56
57
58
59
60
61
62
63
64
65
66
67
68
69
70
71
72
73
74
75
76
77
78
79
80
81
82
83
84
85
86
87
88
89
90
91
92
93
94
95
96
97
98
99
100
101
102
103
104
105
106
107
108
109
110
111
112
113
114
115
116
117
118
119
120
121
122
123
124
8
71
0
9
6
5
4
3
2
1
A
B
C
D
E
F
G
H
102
PG-A20X
Ë
PO
WER UNIT / NETZTEILEINHEIT
1
2
...
97
98
99
100
101
102
103
104
105
106
107
...
123
124
SERVICE MANUAL
1
SERVICE-ANLEITUNG
1
CONTENTS
2
Specifications
3
SAFETY NOTICE
4
AVIS POUR LA SECURITE
4
NOTE POUR LE PERSONNEL
5
D’ENTRETIEN
5
NOTE TO SERVICE
5
PERSONNEL
5
Lamp Replacement
6
Remplacement de la lampe
6
ATTENTION
7
PRECAUTION
7
Operation Manual
9
Projector (Rear View)
10
Remote Control (Front View)
11
2 Insert the batteries
12
PC control
13
Communication conditions
13
Basic format
13
Commands
13
Connection Pin Assignments
14
DIMENSIONS
15
REMOVING OF MAJOR PARTS
16
3.Removing the main PWB unit
17
Cleaning and Replacing
20
THE OPTICAL UNIT OUTLINE
21
ELECTRICAL ADJUSTMENT
23
White-to-White
24
Amplitude
24
Process menu1
29
Process menu2
30
TROUBLE SHOOTING TABLE
31
Technische Daten
38
HINWEISE FÜR DAS
39
WARTUNGSPERSONAL
39
Projektor (Hintersicht)
42
Fernbedienung (Vordersicht)
43
Einlegen der Batterien
44
Reichweite
44
PC-Steuerung
45
Kommunikationsbedingungen
45
Grundformat
45
ABMESSUNGEN
47
ENTFERNEN DER HAUPTTEILE
48
Reinigung und Austausch
52
G-Reflektor
53
ELEKTRISCHE EINSTELLUNG
55
Prozeßmenü 1
61
Prozeßmenü 2
62
FEHLERSUCHTABELLE
63
DESCRIPTION OF
76
SCHEMATIC DIAGRAM
76
BESCHREIBUNG DES
76
SCHEMATISCHEN SCHALTPLANS
76
WAVEFORMS / WELLENFORMEN
77
MAIN UNIT / HAUPTEINHEIT-1/12
78
MAIN UNIT / HAUPTEINHEIT-2/12
80
MAIN UNIT / HAUPTEINHEIT-3/12
82
MAIN UNIT / HAUPTEINHEIT-4/12
84
MAIN UNIT / HAUPTEINHEIT-5/12
86
MAIN UNIT / HAUPTEINHEIT-6/12
88
MAIN UNIT / HAUPTEINHEIT-7/12
90
MAIN UNIT / HAUPTEINHEIT-8/12
92
MAIN UNIT / HAUPTEINHEIT-9/12
94
1716 1918151413121110
101
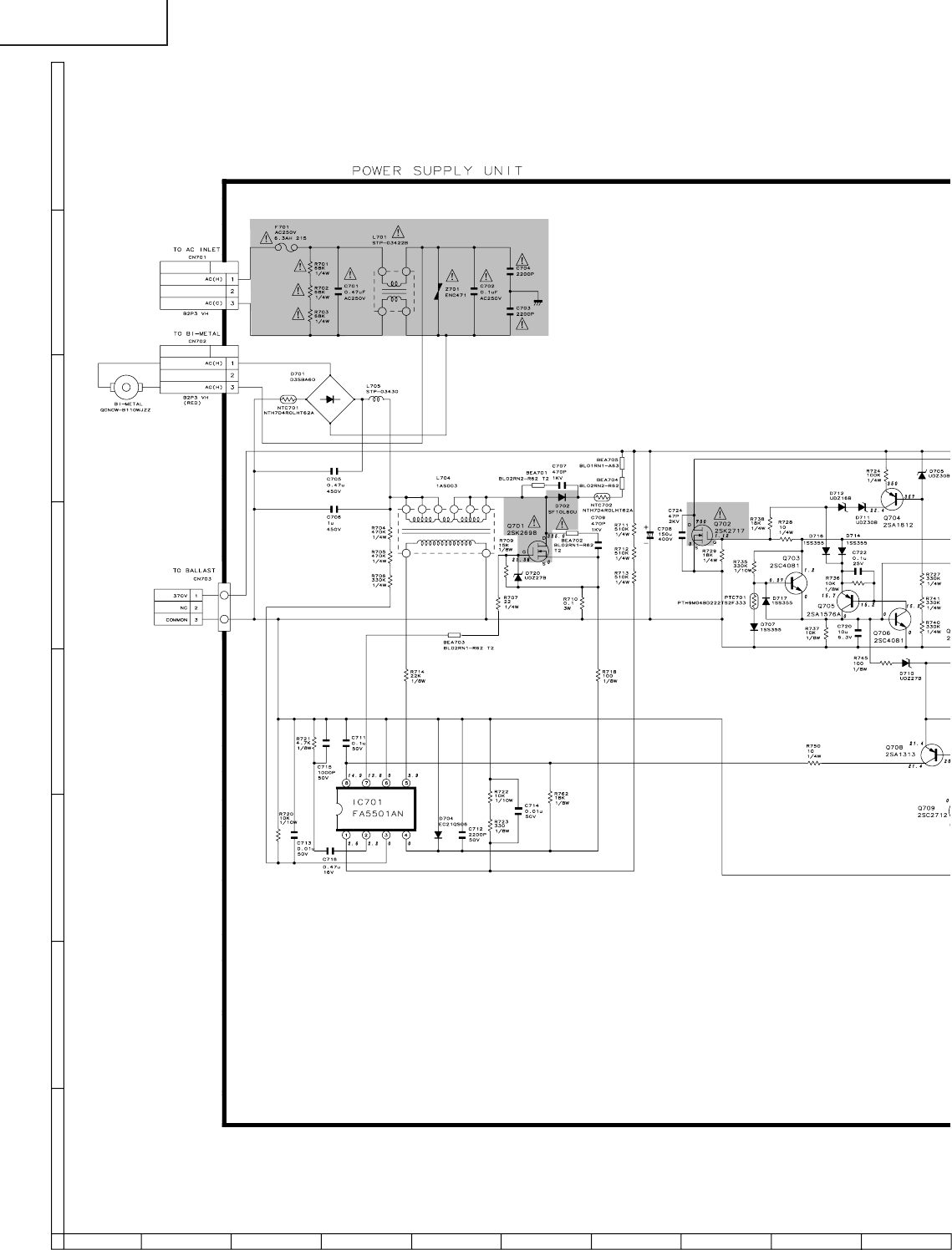
POWER UNIT / NETZTEILEINHEIT
102
LEITERPLATTENEINHEITEN
105
ERSATZTEILLISTE
108
PARTS LIST
108
DUNTKB979FE01
109
RDENCA029WJN1
117
CABINET AND MECHANICAL PARTS
118
OPTICS MECHANISM PARTS
120
SUPPLIED ACCESSORIES
122
PACKING PARTS
122
SERVICE JIGS
122
Design : Japan
124
Production : Japan
124
Komentarze do niniejszej Instrukcji
Brak uwag
Publish
Powiązane produkty i podręczniki dla Projektory Sharp PG-A20X
Projektory Sharp XV-Z12000 - Vision - DLP Projector Instrukcja Obsługi
(107 strony)
Projektory Sharp XV-Z30000 Operation Instrukcja Użytkownika
(17 strony)
Projektory Sharp XG-P20XD Instrukcja Obsługi
(137 strony)
Projektory Sharp AN-NV6T Instrukcja Użytkownika
(2 strony)
Projektory Sharp CE-LK1P Dokumentacja
(27 strony)
Projektory Sharp XV-Z20000 Instrukcja Użytkownika
(2 strony)
Projektory Sharp XG-55X-L Instrukcja Użytkownika
(71 strony)
Projektory Sharp XV-Z10000U - Vision - DLP Projector Instrukcja Obsługi
(178 strony)
Projektory Sharp XG-NV7XU Instrukcja Obsługi
(110 strony)
Projektory Sharp XG-F260X Instrukcja Obsługi
(24 strony)
Projektory Sharp PG-D210U Instrukcja Użytkownika
(40 strony)
Projektory Sharp Notevision PG-F212X Instrukcja Użytkownika
(4 strony)
Projektory Sharp PG-D100U Instrukcja Obsługi
(37 strony)
Projektory Sharp R-480E Podręcznik Użytkownika
(165 strony)
Projektory Sharp XG-P10XE Instrukcja Obsługi
(122 strony)
Projektory Sharp XG-NV7XU Instrukcja Użytkownika
(66 strony)
Projektory Sharp XV-Z9000E Instrukcja Obsługi
(142 strony)
Projektory Sharp XG-C455W Instrukcja Użytkownika
(73 strony)
Projektory Sharp PG-LW3500 Dokumentacja
(26 strony)
Projektory Sharp PG-B10S - SVGA LCD Projector Instrukcja Użytkownika
(2 strony)
Drukuj dokument
Drukuj stronę 102
Komentarze do niniejszej Instrukcji