
PIN No. Signal name IN/OUT Connected to Description
250 /CPUWR IN CPU CPU write signal
251 /CPURD IN CPU CPU read signal
252 GND Power
253 CPUCLK IN CPU CPU system clock
254 GND Power
255
TEST
PORT1
IN
AUTO SCAN
TEST
High: Normal Low: Test
256 /SCANST IN CPU (I/O) Scanner process start signal
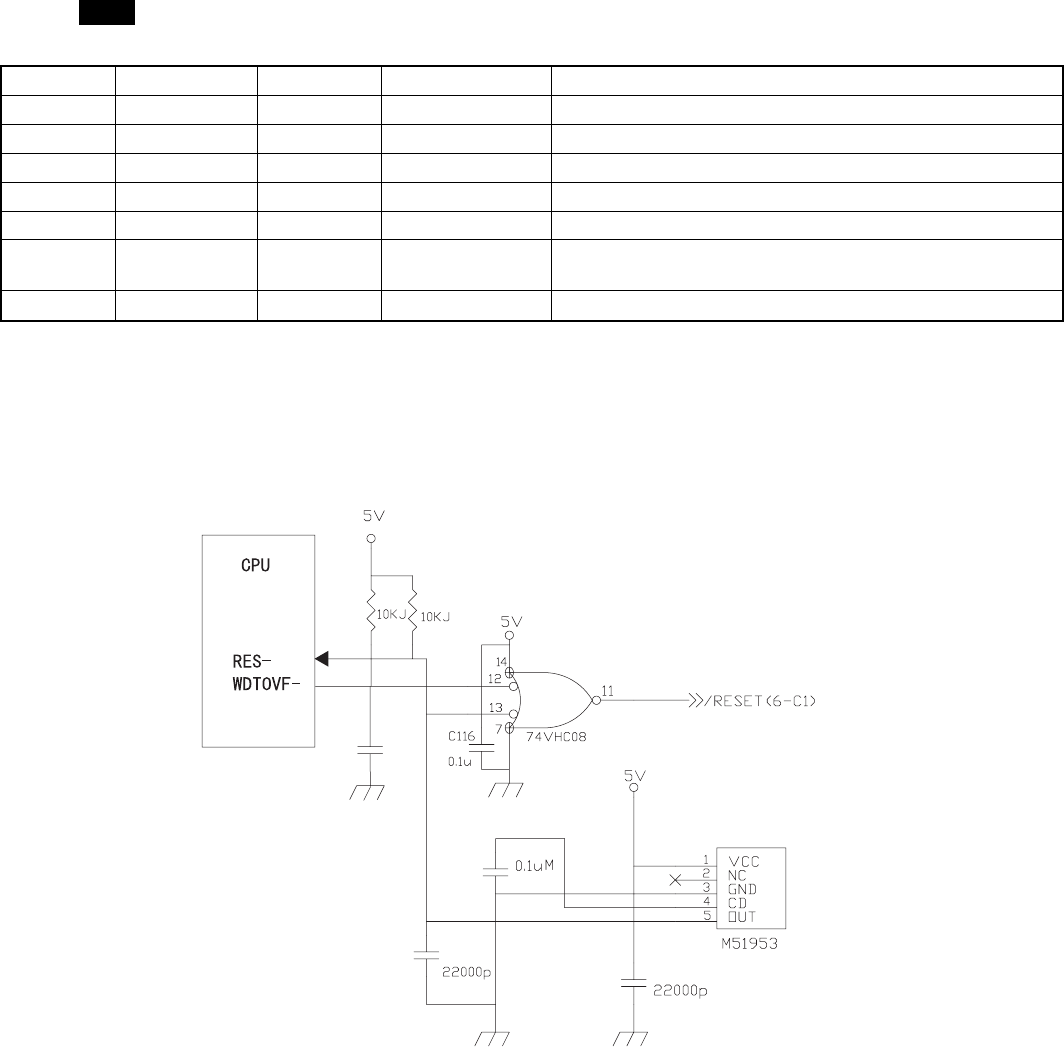
(3) Reset circuit
This circuit detects ON/OFF of power to control start/stop of each circuit. The 5V voltage of the main PWB is detected by the reset
IC to generate the reset signal.
When the power voltage reaches the specified level, the circuit operations are started. Before the power voltage falls below the
specified level, the circuit operations are stopped to prevent against malfunctions.
R265
R266
IC108D
C155
IC105
C156
C154
C190
To ASIC
Rest IC
AL-1000/1010
12-13
Komentarze do niniejszej Instrukcji