
– 32 –
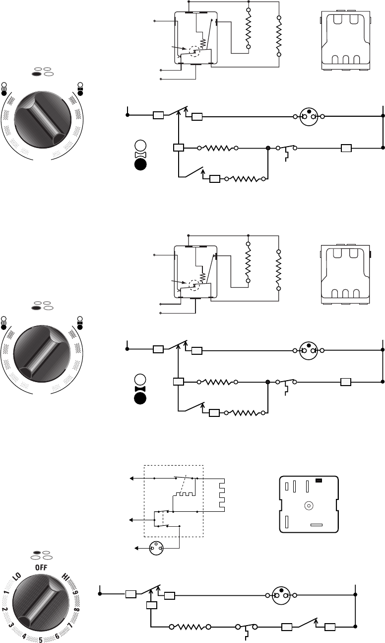
SURF IND LIGHT
LF SURF ELEM
SURF CONT
LI L2
SURF CONT
N
THERMAL
LIMITER SW.
5
2
H
I
8
8
H
I
6
6
4
2
L
O
L
O
2
4
BRIDGE
BURNER
OFF
FRONT
BURNER
FRONT
LEFT FRONT SURFACE
UNIT ONLY
3
4
BRIDGE ELEM
L2
5
N
2
3
L1
L1
H1
TOP
4
P
L2
H2
N
4
32
GRND
5
P
H2
H1
GRND
CYCLING
CONTACT
10.45 KΩ
VOLTAGE SENSITIVE
LF SURFACE ELEMENT
BRIDGE ELEMENT
SURFACE ELEMENT STRIP CIRCUITS
MODELS:
JB960WB
JB960AB
JB960BB
31.0 Ω
70.0 Ω
SURF IND LIGHT
LF SURF ELEM
LI L2
SURF CONT
THERMAL
LIMITER SW.
5
2
L2
5
N
2
3
L1
L1
H1
TOP
4
P
L2
H2
N
4
32
GRND
5
P
H2
H1
GRND
CYCLING
CONTACT
10.45 KΩ
VOLTAGE SENSITIVE
H
I
8
8
H
I
FRONT
BURNER
BRIDGE
BURNER
6
6
4
2
L
O
L
O
2
4
OFF
FRONT
LEFT FRONT SURFACE
UNIT + BRIDGE
3
4
BRIDGE ELEM
LF SURFACE ELEMENT
BRIDGE ELEMENT
SURF CONT
N
31.0 Ω
70.0 Ω
SURF IND LIGHT
LR SURF ELEM
SURF CONT
LI L2
SURF CONT
H2
L2
THERMAL
LIMITER SW.
H1
P
LI
VOLTAGE SENSITIVE
H1
P
H2
L1
L2
TOP
REAR
LEFT REAR
SURFACE UNIT
1800 W
32.0 Ω
L1
P
N
PILOT
L2
H2
H1
LR
SURFACE
UNIT
15.59 KΩ
Komentarze do niniejszej Instrukcji