
– 30 –
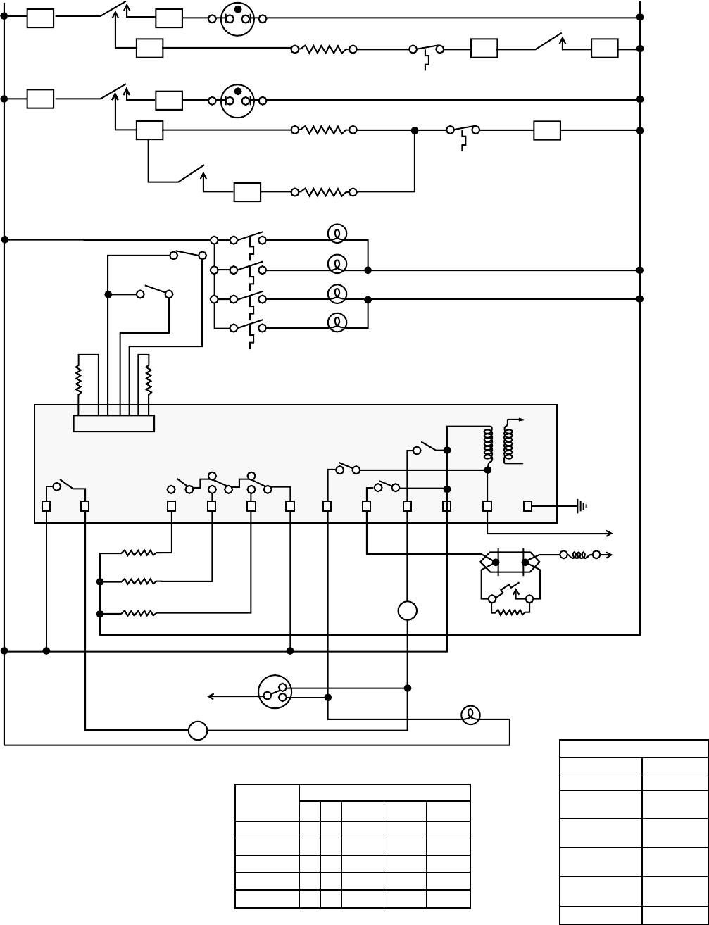
SURF IND LIGHT
SURF IND LIGHT
MEAT PROBE
OVEN TEMP
1100
ROOM TEMP
2850
CLEAN TEMP
WWY O
BU
1
2
3
4
5
6
7
8
SURF ELEM
H2H1
PLI
2
5
3
4
L2
N
HOT IND LIGHTS
RELAY
CONTACT
MADE
BAKE
BROIL
CLEAN
CONV BAKE
CONV ROAST
K1
WATTAGE
RESISTANCE
1500W RR
1800W LR
38.4
2500W RF
(BOTH ELEM)
1000W RF
(INNER ELEM)
2600W LF
(BOTH ELEM)
800W LF
(INNER ELEM)
23.0
57.6
22.2
72.0
32.0
SURFACE ELEMENTS
Q2 K2 - BR
ERC
K4 - CV K3 - BA
RR-BR•TR
RF-GY
LF-GY•TR
LR-O•TR
02
Q1
K2K3K4
COM NDL CONV BA BR LI LI
GND
N
N
N
BAL LAST
FLO LIGHT
OV LIGHT
DOOR JAMB SW
LOCK MOTOR
BROIL ELEM
BAKE ELEM
CONV ELEM
N
STARTER
CFOVEN
LIGHT
CONV
FAN
M
M
SURF
LIGHT
K1
SURF ELEM
SURF ELEM
PROTECTOR
PROTECTOR
DUAL ELEM CONT
DUAL ELEM CONT
LOCK SW #2
LOCK SW #1
UNLOCK
LOCK
BU
SURF CONT
RR-BR & LR-O
RF-BU•TR & LF-Y•TR
PR
“LI” BLACK “L2” RED
SURF CONT
*
*
***
**
**
**
**
*** ***
JB960WB
JB960AB
JB960BB
LF (BRIDGE) & RF (OUTER)
SCHEMATIC
ERC
Komentarze do niniejszej Instrukcji