
HT-DP2500W
– 18 –
A
B
C
D
E
F
G
H
1
23456
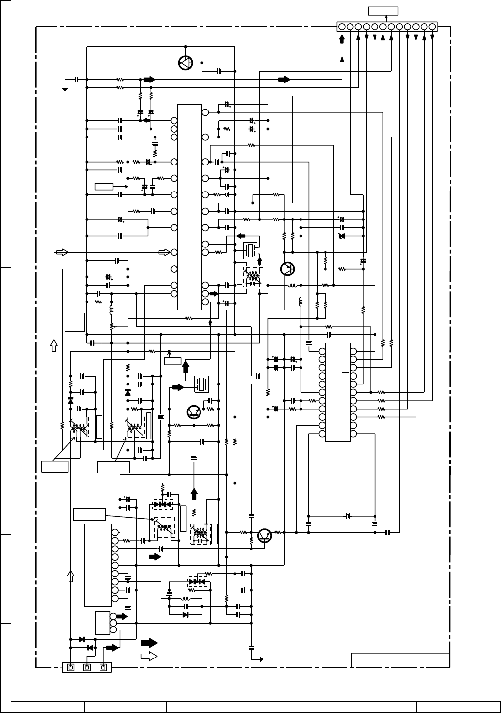
Figure 18 SCHEMATIC DIAGRAM (7/7)
NOTES ON SCHEMATIC DIAGRAM can be found on page 9.
C221
18P (UJ)
C286
18P (SL)
R282
470
R285
33
C282
0.01
C281
0.022
R283
330
R281
2.2K
R250
5.6K
CF202
R251
22K
C233
1/50
R221
3.3K
C234
0.22/50
C245
1/50
C244
56P
C240
0.1
R222
1K
C248
0.0047
C254
0.018
J202
15K
C246
0.0039
R217
22K
C242
10/16
R223
470K
C239
10/16
C241
680P
CF201
R209
470
R210
4.7K
R216
4.7K
R213
22
R215
100K
C208
0.001
T203
C224
0.022
C223
470P
R214
68K
VD201-2
KV1236Z23F
C222
18P (CH)
VD201-1
KV1236Z23F
T201
C220
0.022
C219
0.047
R211
100K
C218
8P
R212
33
R245
5.6K
R243
5.6K
SOC201 ANTENNA TERMINAL
R241
330
ZD201
MTZJ5.1B
C272
0.022
D202
1N4148
D201
1N4148
C236
0.022
R229
2.7K
R230
2.7K
C253
0.018
C213
100P
R204
47K
R205
680
R207
47
C210
33P
R206
10
C212
22P
R208
10K
IC201
TA7358AP
C209
15P
R201
22
C214
10/16
C215
0.022
C202
0.01
C216
4.7P
L201
FM RF
R203
33K
R202
100K
D205
1N4148
C204
7P
C201
0.001
C203
0.0047
C205
0.0047
C207
0.001
C206
0.022
C273
100/10
L204
100µH
R244
330
R247
270
R246
270
R237
5.6K
R248
1K
C229
0.022
R219
1K
Q203
KTA1266 GR
R249
47K
L203
100µH
C267
0.022
C260
1/50
R240
10K
C274
0.022
C271
220/16
C270
1/50
R239
1.5K
C266
330P
Q202
KRC104 M
C255
0.022
C269
0.001
R231
10K
C263
0.022
IC202
LC72131
PLL
CONTROLLER
R218
5.6K
R236
10K
FM IF DET./FM MPX./AM IF
C231
22P
C232
0.001
C275
100/10
C276
0.022
C230
0.022
C228
0.1
R238
2.2K
C262
15P
C261
12P
X202
4.5MHz
AM_ANT
FM_ANT
FM
OUT
AM
OUT
SD
AM
OSC IN
VSM
IF
OUT
VCC
REQ
TP302
X OUT
X IN
VSS
A OUT
A IN
PD
VDD
FM IN
AM IN
IF IN
IO1
BO4
DO
CL
DI
CE
AM
OSC OUT
AM RF
IN
AM
IF
AM
MIX
AM/FM
FM
AFC
FM
DET
FM IF
IN
GND
STEREO
PHASE
L CH
R CH
MPX-IN
9
8
7
6
5
4
3
2
1
9
8
7
6
5
4
3
2
1
9
10
16
17
18
19
20
21
22
23
24
13
14
15
11
12
8
7
6
5
4
3
2
1
Q281
2SC535 C
IF AMP.
C285
0.01
VD203
KDV147C
VD202
KDV147C
C264
0.001
R226
4.7K
R225
1.8K
C227
0.022
TP301
C237
3.3/50
C235
0.022
VR201
10K(B)
L205
1mH
C225
0.022
R224
8.2K
C226
33P
C238
0.022
0V(0V)
3.1V
(2.1V)
2.1V
(2.1V)
5.0V
(5.0V)
2.0V
(2.0V)
R220
270
2.8V
(2.8V)
4.9V
(4.9V)
3.53V
(3.53V)
2.15V
(2.15V)
R227
3.9K
C251
1/50
R228
3.9K
C252
1/50
C243
1/50
R253
68K
C247
0.1
1.8V
(1.8V)
1.7V
(1.7V)
2.0V
(2.0V)
2.1V
(2.1V)
2.0V
(2.0V)
0.4V
(0.4V)
0V
(0V)
2.6V
(2.6V)
2.4V(2.4V)
2.4V(2.4V)
4.9V(4.9V)
3.4V(3.4V)
5.0V
(5.0V)
0V
(0V)
AM:( )
1
2
3
C217
18P
3.8V
1.5V
3.8V
3.1V
3.8V
3.8V
0.8V
1.6V
4.8V
5.1V
0V
0V
C265
0.01
3.5V
0V(2.6V)
2.6V(0V)
5.2V
0.9V
0.9V
R235
1K
R234
1K
R233
1K
R232
1K
0V
0.1V
0.1V
R242
5.6K
C268
47/16
1.7V
(11.4V)
0V
0V
3.9V
3.7V
(0V)
AM
GND
FM
75ohms
1
2
3
BF201
FM FRONT END
T202
FM IF
L202
FM OSC.
AM OSC.
1
2
3
+B
1
2
3
T204
AM IF
+B
C249
10/16
4.9V
(4.9V)
+B
IO2
FM
BO1
BO2
Q201
2SC535 C
FM IF AMP.
R299
47
FM SIGNAL
AM SIGNAL
TUNER PWB-B
TUN_DO
TUN_CK
TUN_ST
TUN_MUTE
TUN_SD
D_GND
A_GND
TUN_DI
TUN_CE
TUN_L
TUN_R
A+12V
CNS201
9 10
11
12
8
7
6
5
4
3
2
1
CNP201
TO MAIN PWB P12 2-A
10
12
13
14
15
16
17
18
19
20
21
22
11
MUTING
IC203
LA1833
FM
MUTE
LEVEL
AM ANT
AM
TRAKING
AM BAND
COVERAGE
FM BAND
COVERAGE
BAND
PASS
FILTER
FM IF
CF203
AM IF
FM IF
2.6V
2.6V
C250
0.001
4.8V
(0V)
10.5V
(0V)
10.5V
(11V)
11V
6.8V
(0V)
0V
(0V)
1.0V
(0V)
0V
(0.2V)
0V
0V
0V
FM ST:4.6V
FM/AM:0V
( ) : AM
Komentarze do niniejszej Instrukcji