
HT-DP2500W
– 14 –
A
B
C
D
E
F
G
H
1
23456
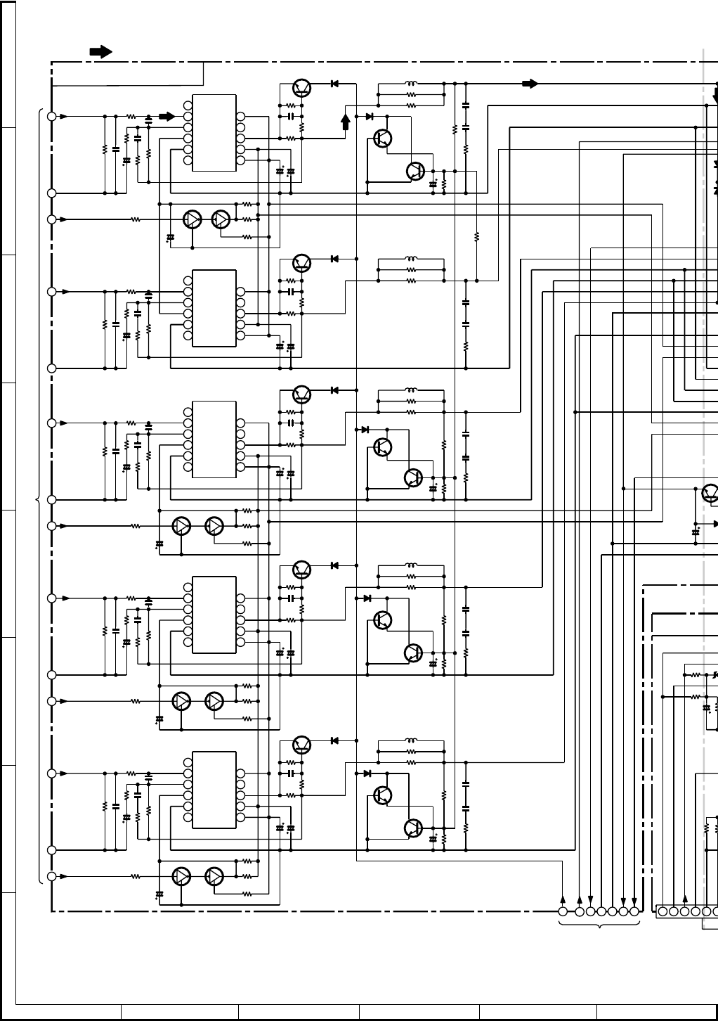
Figure 14 SCHEMATIC DIAGRAM (3/7)
NOTES ON SCHEMATIC DIAGRAM can be found on page 9.
R721
39K
R754
100K
R774
100K
R794
100K
D6
1N4
R788
2.2K
R768
2.2K
R748
2.2K
R716
2.2K
R715
2.2K
D740 1N4148
IC705
LM2876
5
4
3
2
1
IC704
LM2876
5
4
3
2
1
IC703
LM2876
5
4
3
2
1
IC702
LM2876
5
4
3
2
1
IC701
LM2876
9
10
11
8
7
6 5
4
3
2
1
Q751
KRA107 M
Q752
KRC107 M
C745
47/50
Q771
KRA107 M
Q781
KRA107 M
Q772
KRC107 M
Q782
KRC107 M
C785
22/50
C765
22/50
R793
4.7K
R792
27K
R791
39K
R773
4.7K
R772
27K
R771
39K
R753
4.7K
R752
27K
R751
39K
Q701
KRA107 M
C709
100/35
Q702
KRC107 M
R724
4.7K
R720
12K
R719
18K
MTZ
R730
56K
R608
47K
CNP4
C789
47/50
R733
4.7
C721
0.1
C719
0.1
R758
56K
R759
56K
R789
6.8K
R713
0.2
D708
1N4148
D706
1N4148
D704
1N4148
Q705
KTC3199 GR
C711
10/50
R710
47K
R708
1K
R709
47K
R707
1K
R706
1.2K
R705
1.2K
C705
100/35
C703
33P
C704
33P
C706
100/35
R763
1.2K
R767
0.2
R765
47K
R743
220
R757
22
R744
1K
Q756
KTC3199 GR
C748
0.022
C768
0.022
R769
6.8K
C769
47/50
Q776
KTC3199 GR
Q775
KTC3199 GR
D707
1N4148
R776
22
R777
22
L704
0.3mH
Q774
KTC3199 GR
C707
330P
C702
220P
R702
1K
C741
220P
R741
1K
C701
220P
R701
1K
C708
330P
R704
10K
P13 12-E, 12-G
R742
56K
C744
330P
C761
220P
R761
1K
R762
3.3K
C764
330P
R703
10K
C716
0.022
Q706
KTC3199 GR
D702
1N4148
R718
6.8K
R714
0.2
D701
1N4148
C750
0.1
R760
4.7
C751
0.1
R778
56K
R779
56K
C720
0.1
C722
0.1
R734
4.7
C770
0.1
C771
0.1
R780
4.7
C762
33P
C763
100/35
R764
1K
C713
10/50
C714
10/50
C712
10/50
C767
10/50
C766
10/50
R726
22
R728
22
L702
0.3mH
C717
47/50
R731
56K
Q708
KTC3199 GR
Q707
KTC3199 GR
D703
1N4148
C715
0.022
R717
6.8K
R729
56K
R725
22
R727
22
L701
0.3mH
C746
10/50
C747
10/50
C742
33P
R747
0.2
C749
47/50
C743
100/35
Q754
KTC3199 GR
R745
47K
Q755
KTC3199 GR
D705
1N4148
R756
22
L703
0.3mH
R749
6.8K
R795
4.7
R782
3.3K
C791
0.1
R783
1.2K
R787
0.2
R785
47K
R799
56K
C783
100/35
C786
10/50
R784
1K
C782
33P
C787
10/50
C790
0.1
D709
1N4148
R796
22
Q784
KTC3199 GR
L705
0.3mH
C788
0.022
R798
56K
C784
330P
Q785
KTC3199 GR
C781
220P
R781
1K
R797
22
Q603
KTC31
Q62
2SD201
C624
47/25
R617
220
C617
100/35
R615
R616
220
VF2
R_GND
R_MUTE
SW_GND
FR_GND
FL_GND
SW_MUTE
C_MUTE
F_MUTE
D_GND
POW_SW
–VPP
SW
CENTER
FRONT-R
FRONT_L
REAR
VF1
U-COM5V
1
15
16
17
18
19 20
2 3 4
5
A_GND
A+12V
A–12V
D_GND
D739
1N4148
2.9V
0V
–2.9V
2.9V
0V
0V
0V
0V
0V
0V
-3.2V
0V
2.9V
0V
0V
0V
0V
0V
0V
0V
0V
0V
0V
0V
0V
0V
0V
0V
0V
0V
0V
0V
0V
-3.2V
0V
0V
0V
-3.2V
0V
0V
0V
-3.2V
0V
2.9V
0V
-2.9V
2.9V
2.9V
0V
-2.9V
2.9V
2.9V
0V
-2.9V
2.9V
0V
5.0V
5.0V
5.0V
5.0V
5.0V
5.0V
5.0V
5.0V
5.0V
-2.9V
2.9V
0V
5.0V
–3.2V
0V
0V
5.0V
0V
0V
5V
5V
0V
2
3
2 3
–3.2V
(–0.4V)
1
2.9V(0.9V)
2.9V
(0V)
1
0V
(3.4V)
0V
(0V)
MUTE ON:( )
–3.2V
(–0.4V)
2.9V
(0V)
2.9V
(0.9V)
0V
(0V)
0V
(3.4V)
MUTE ON:( )
–3.2V
(–0.4V)
2.9V
(0V)
2.9V
(0.9V)
0V
(0V)
0V
(3.4V)
MUTE ON: ( )
–3.2V
(–0.4V)
2.9V
(0V)
2.9V
(0.9V)
0V
(0V)
0V
(3.4V)
MUTE ON: ( )
11.6V
10.9V
–25V
–25V
0.7
1
2
3
0V
FM SIGNAL
P13 12-B
–B
+B
PROTECT
SP_LEVEL
–B
+B
C_GND
6
7
8
9
10
11
12
13
14
5
4
MAIN PWB-A1(2/2)
POWER S
3
1
2 3
2
1
1
3
2
3
2
1
3
1
23
2
1
9
10
11
8
7
6
9
10
11
8
7
6
9
10
11
8
7
6
9
10
11
8
7
6
IC701-IC705
POWER AMP.
FUN_SW
OVER CURRENT
DETECTOR
OVER CURRENT
DETECTOR
OVER CURRENT
DETECTOR
OVER CURRENT
DETECTOR
OVER CURRENT
DETECTOR
21
Q786
KTC3199 GR
SWITCHING
SWITCHING
SWITCHING
SWITCHING
SWIT
Komentarze do niniejszej Instrukcji