
26
WIRING
3.5 Safety stop function
3.5.1 Function description
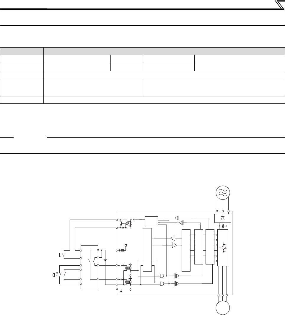
The terminals related to the safety stop function are shown below.
*1
In the initial status, terminals S1 and PC, S2 and PC, and SIC and SD are respectively shorted with shorting wires. To use the safety
stop function, remove all the shortening wires, and then connect to the safety relay module as shown in the following connection
diagram.
*2
At an internal safety circuit failure, the operation panel displays one of the faults shown on the next page.
3.5.2 Connection diagram
To prevent automatic restart after a fault occurrence, connect the reset button of a safety relay module or a safety pro-
grammable controller across the terminals SO and SOC. The reset button acts as the feedback input for the safety relay
module or the safety programmable controller.
Terminal symbol Terminal function description
S1
*1
For input of the safety stop
Channel 1 Between S1 and SIC
Open: In safety stop mode
Short: Other than the safety stop mode
S2
*1
Channel 2 Between S2 and SIC
SIC
*1
Common terminal for terminals S1 and S2
SO
Outputs when an alarm or failure is detected.
The signal is output when no internal safety
circuit failure
*2
exists.
OFF: Internal safety circuit failure
*2
ON: No internal safety circuit failure
*2
SOC Terminal SO (open collector output) common
CAUTION
Use the terminal SO to output a fault and to prevent restarting of the inverter. The signal cannot be used as safety stop
input signal to other devices.
R/L1
S/L2
T/L3
U
V
W
M
SO
SOC
S1
S2
G G
SIC
SD
PC
RESET
Emergency
stop button
Safety relay module/
Safety programmable controller
FR-A800
Logic
CPU
Fuse
+24V
ASIC
Gate
Driver
Gate
Driver
IGBTs
24VDC
Komentarze do niniejszej Instrukcji