Many
Manuals
search
Kategorie
Marki
Strona główna
Sharp
Kamery
VL-AX1U
Instrukcja Obsługi
Sharp VL-AX1U Instrukcja Obsługi Strona 74
Pobierz
Podziel się
Dzielenie się
Dodaj do moich podręczników
Drukuj
Strona
/
117
Spis treści
BOOKMARKI
Oceniono
.
/ 5. Na podstawie
oceny klientów
1
2
3
4
5
6
7
8
9
10
11
12
13
14
15
16
17
18
19
20
21
22
23
24
25
26
27
28
29
30
31
32
33
34
35
36
37
38
39
40
41
42
43
44
45
46
47
48
49
50
51
52
53
54
55
56
57
58
59
60
61
62
63
64
65
66
67
68
69
70
71
72
73
74
75
76
77
78
79
80
81
82
83
84
85
86
87
88
89
90
91
92
93
94
95
96
97
98
99
100
101
102
103
104
105
106
107
108
109
110
111
112
113
114
115
116
117
123456789
1
0
11
12
13
14
15
16
17
18
19
20
A
B
C
D
E
F
G
H
I
J
VL-AX1U
92~93
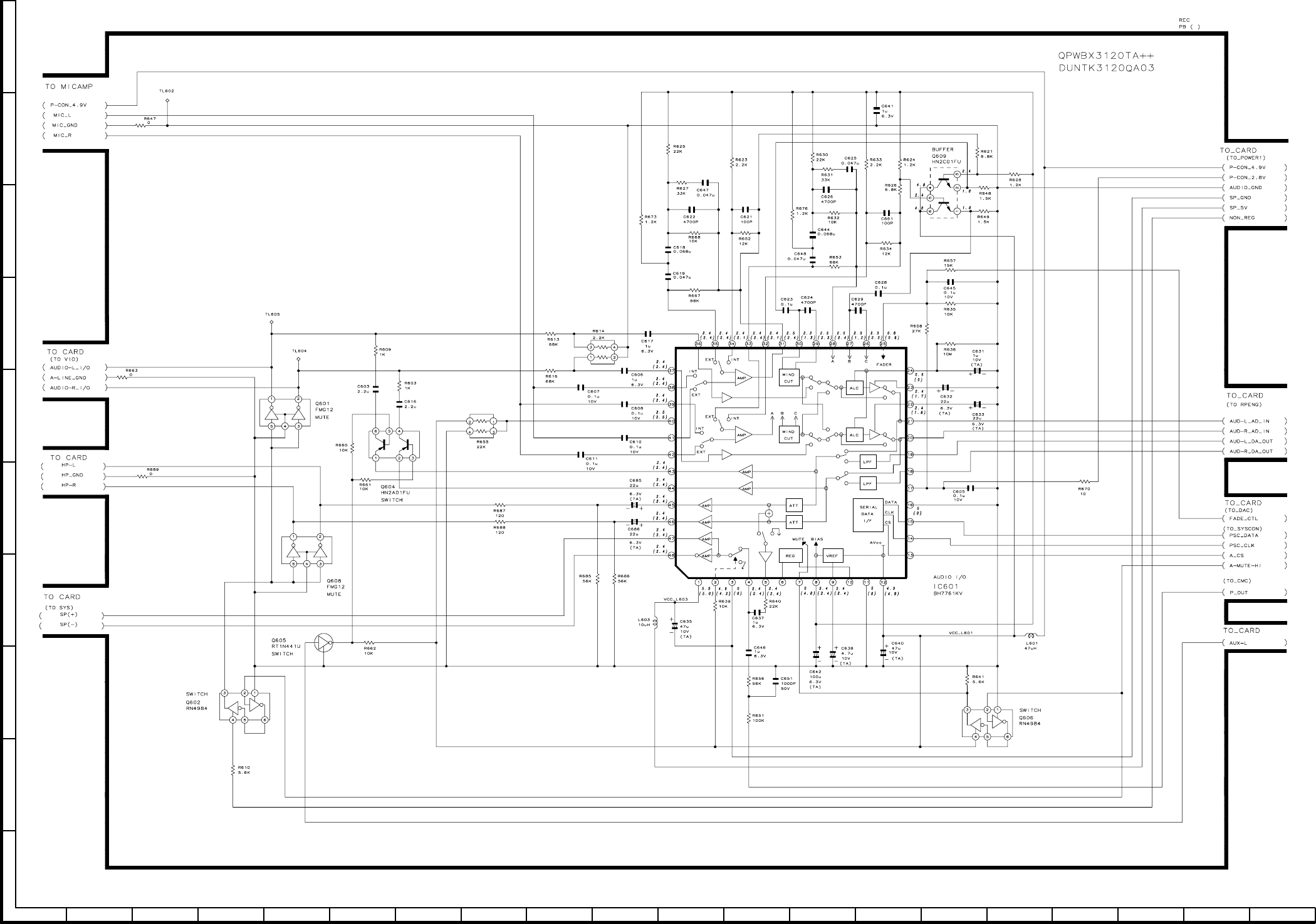
14-19. AUDIO I/O SCHEMATIC DIAGRAM
1
2
...
69
70
71
72
73
74
75
76
77
78
79
...
116
117
SERVICE MANUAL
1
1. IMPORTANT SERVICE NOTES
2
ATTENTION
3
CAUTION
4
2. SPECIFICATIONS
5
3. PART NAMES
6
4. DISASSEMBLY OF THE SET
7
Camera=Main FPC BtoB
8
Lens FPC
8
Focus FPC
8
Lens cabinet
9
(1) Slide caliper
10
(2) Precision screwdrivers
10
(3) Radio needle-nose pliers
10
(4) Tweezers
10
Performance checks
11
6-2. Precautions
11
<Precautions>
12
8. TAPE RUNNING ADJUSTMENT
15
8-4. Running rough adjustment
16
8-5. Final running adjustment
16
(DISASSEMBLY AND REASSEMBLY)
17
9-4. Phase matching
19
(Tentative tightening)
20
Fit the main brake SPR from
21
Swing arm Ass'y
22
Reel cover Ass'y
22
FPC cover
22
9-6. Removing the cassette
23
[Making adjustments]
28
1.0±0.05
30
ADJUSTING THE LCD CIRCUIT
31
VIDEO I/O ENG DAC CIRCUIT
32
2.0Vp-p 0.1Vp-p
34
ADJUSTING THE MIC AMP CIRCUIT
35
MODEL ID SETTING
37
000A Iris offset adjustment
41
100mV/div
42
Picture fails
45
Blueback fails
45
12. SIGNAL FLOW DIAGRAMS
46
12-3. FLOW IN PB MODE (VIDEO)
47
WAVEFORM DIAGRAM
47
(DURING COLOR BAR PLAYBACK)
47
From IC3404
48
PB system
48
13. BLOCK DIAGRAMS
49
CCD CAMERA
50
- M E M O
55
14-4. CMC SCHEMATIC DIAGRAM
59
14-16. DAC SCHEMATIC DIAGRAM
71
14-18. V/F SCHEMATIC DIAGRAM
73
14-22. CCD SCHEMATIC DIAGRAM
77
14-23. TG SCHEMATIC DIAGRAM
78
14-24. CDS SCHEMATIC DIAGRAM
79
14-26. LCD SCHEMATIC DIAGRAM
81
MAIN PWB
85
CAMERA PWB
89
HEAD AMP PWB
92
Component Side SIDE A
92
Wiring Side SIDE A
92
Component Side SIDE B
93
Wiring Side SIDE B
93
17. REPLACEMENT PARTS LIST/
94
EXPLODED VIEWS
94
PACKAGED CIRCUITS
95
COILS AND TRANSFORMER
95
CAPACITORS
95
MISCELLANEOUS PARTS
102
DUNTK3120QA03
103
SUB PWB UNIT
103
RESISTORS
104
DUNTK3121QA01
105
CAMERA PWB UNIT
105
DUNTK3122QA01
106
LCD PWB UNIT
106
MECHANISM PARTS
108
CASSETTE CONTROL PARTS
108
CABINET PARTS LIST
109
CAMERA UNIT PARTS LIST
110
ACCESSORIES
111
CABINET EXPLODED VIEW
113
CASSETTE CONTROL EXPLOOD VIEW
114
CAMERA UNIT EXPLOOD VIEW
114
18. PACKING OF THE SET
116
COPYRIGHT
117
2002 BY SHARP CORPORATION
117
ALL RIGHTS RESERVED
117
Komentarze do niniejszej Instrukcji
Brak uwag
Publish
Powiązane produkty i podręczniki dla Kamery Sharp VL-AX1U
Kamery Sharp VN-EZ1U Instrukcja Użytkownika
(14 strony)
Kamery Sharp VL-NZ50U Instrukcja Obsługi
(124 strony)
Kamery Sharp VL-A111S Instrukcja Obsługi
(96 strony)
Kamery Sharp VL-NZ50U - MiniDV Compact Digital Viewcam Dokumentacja
(84 strony)
Kamery Sharp VL-AH131E Dokumentacja
(72 strony)
Kamery Sharp R-520E Dokumentacja
(136 strony)
Kamery Sharp VL-WD450U Dokumentacja
(120 strony)
Kamery Sharp VIEWCAM VL-A10H Dokumentacja
(63 strony)
Kamery Sharp VL-C650S Instrukcja Obsługi
(112 strony)
Kamery Sharp VN-EZ1U Dokumentacja
(49 strony)
Kamery Sharp VL-Z1U Instrukcja Obsługi
(129 strony)
Kamery Sharp VL-A111S Instrukcja Użytkownika
(67 strony)
Kamery Sharp VL-NZ50S Instrukcja Użytkownika
(72 strony)
Kamery Sharp VL-AH151S Instrukcja Użytkownika
(75 strony)
Kamery Sharp VL-AH131S Instrukcja Użytkownika
(67 strony)
Kamery Sharp VL-NZ100S Instrukcja Użytkownika
(96 strony)
Kamery Sharp DSR-PD150P Instrukcja Użytkownika
(172 strony)
Kamery Sharp VL-NZ100S Instrukcja Użytkownika
(91 strony)
Kamery Sharp VL-AH160U Instrukcja Użytkownika
(80 strony)
Kamery Sharp VL-AH130U Instrukcja Użytkownika
(72 strony)
Drukuj dokument
Drukuj stronę 74
Komentarze do niniejszej Instrukcji