Many
Manuals
search
Kategorie
Marki
Strona główna
Sharp
Kuchenki mikrofalowe
R-9450
Dokumentacja
Sharp R-9450 Dokumentacja Strona 121
Pobierz
Podziel się
Dzielenie się
Dodaj do moich podręczników
Drukuj
Strona
/
143
Spis treści
BOOKMARKI
Oceniono
.
/ 5. Na podstawie
oceny klientów
1
2
3
4
5
6
7
8
9
10
11
12
13
14
15
16
17
18
19
20
21
22
23
24
25
26
27
28
29
30
31
32
33
34
35
36
37
38
39
40
41
42
43
44
45
46
47
48
49
50
51
52
53
54
55
56
57
58
59
60
61
62
63
64
65
66
67
68
69
70
71
72
73
74
75
76
77
78
79
80
81
82
83
84
85
86
87
88
89
90
91
92
93
94
95
96
97
98
99
100
101
102
103
104
105
106
107
108
109
110
111
112
113
114
115
116
117
118
119
120
121
122
123
124
125
126
127
128
129
130
131
132
133
134
135
136
137
138
139
140
141
142
143
119
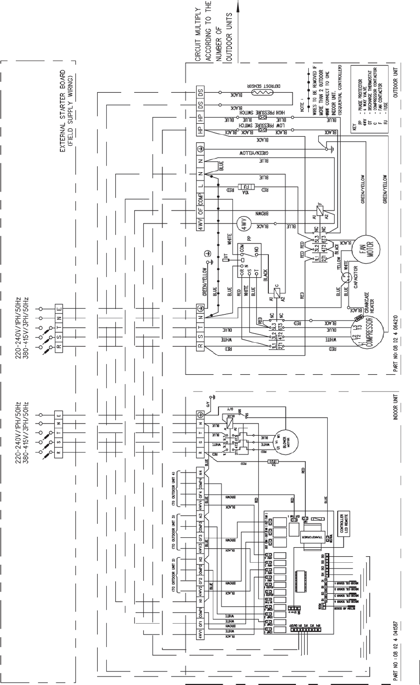
MODEL : MDB400BR4 ~ MMC100BR x 4
NOTE:
A MANUAL RESET CIRCUIT MUST BE
PROVIDED
A
T THE FIELD SUPPLIED
EXTERNAL ST
ARTER BOARD FOR
ALL
PROTECTIVE DEVICES.
1) WITH MAGNETIC CONT
ACTOR
2) WITH SEQUENTIAL CONTROLLER
3) FOR 415V/50Hz
4) FOR EXPORT
SPEC.
1
2
...
116
117
118
119
120
121
122
123
124
125
126
...
142
143
Ducted Blower
1
Split Systems
1
Table of Contents
2
Product Line Up
5
Caution :
8
MODEL : MMC075CR
9
Refrigerant Circuit Diagrams
9
MODEL : MMC100/125BR
10
Controllers
11
1 Remote controller
13
3 Instruction manual
13
SLM AC-5300 (OPTIONAL)
14
Installation
15
A (mm) 300 500 500 700 700
18
B (mm) 500 300 300 300 300
18
Shredder core
20
Additional charge
22
MDB-BR SERIES
23
MDB-CR SERIES
23
SOUND PRESSURE LEVEL
23
SOUND POWER LEVEL
24
MDB075BR NC CURVE
25
MDB100BR NC CURVE
25
MDB125CR NC CURVE
26
MDB150BR NC CURVE
26
MDB200BR NC CURVE
27
MDB250BR NC CURVE
27
MDB300BR NC CURVE
28
MDB350BR NC CURVE
28
MDB400BR NC CURVE
29
MDB500BR NC CURVE
29
MDSB200BR NC CURVE
30
MDSB250BR NC CURVE
30
MDSB300BR NC CURVE
31
MDSB350BR NC CURVE
31
MDSB400BR NC CURVE
32
MDSB500BR NC CURVE
32
FAN PERFORMANCE CHART
33
FAN PERFORMANCE CURVE
34
MDB125CR
34
MDB075BR
35
MDB100BR
36
MDB150BR
38
MDB/MDSB200BR
39
MDB/MDSB250BR
40
MDB/MDSB300BR
41
MDB/MDSB350BR
42
MDB/MDSB400BR
43
MDB/MDSB500BR
44
General Data - Heatpump
45
Components Data - Heatpump
61
Example:
82
Solution:
82
R22 MODELS
88
(HEATPUMP)
88
MODEL : MDB075BR / MMC075BR
88
COOLING MODE
88
HEATING MODE
88
MODEL : MDB100BR / MMC100BR
89
MODEL : MDB125CR / MMC125BR
90
Dimension in mm
100
MODEL: MMC 075CR
105
Electrical Data - Heatpump
107
MODEL : MDB075BR ~ MMC075CR
114
MODEL : MDB100BR ~ MMC100BR
115
MODEL : MDB125CR ~ MMC125BR
116
MDB200BR2 ~ MMC100BR x 2
117
Diagnostic Guidelines
126
14°C to 20°C. *
129
HEATPUMP MODEL (INDOOR)
130
HORIZONTAL AIR DISCHARGE
130
MODEL: MDB075BR
130
MODEL : MDB100BR
131
MODEL : MDB125CR
132
MODEL : MDB150BR2
133
MODEL : MDB200BR2
134
MODEL : MDB350BR3
137
MODEL : MDB400BR4
138
MODEL : MDB500BR4
139
VERTICAL DISCHARGE
141
MODEL : MMC100 / 125 BR
141
2010 McQuay International
143
Komentarze do niniejszej Instrukcji
Brak uwag
Publish
Powiązane produkty i podręczniki dla Kuchenki mikrofalowe Sharp R-9450
Kuchenki mikrofalowe Sharp R-209BK Instrukcja Użytkownika
(24 strony)
Kuchenki mikrofalowe Sharp R-4A55 Instrukcja Operatora
(40 strony)
Kuchenki mikrofalowe Sharp Carousel R-405D Instrukcja Obsługi
(52 strony)
Kuchenki mikrofalowe Sharp R-330Y Instrukcja Obsługi
(191 strony)
Kuchenki mikrofalowe Sharp R-21LCF - Oven Microwave 1000 W Instrukcja Obsługi
(40 strony)
Kuchenki mikrofalowe Sharp R-249 Dokumentacja
(52 strony)
Kuchenki mikrofalowe Sharp R-409JSB Instrukcja Użytkownika
(18 strony)
Kuchenki mikrofalowe Sharp R-27STM Instrukcja Obsługi
(28 strony)
Kuchenki mikrofalowe Sharp R-201T Instrukcja Obsługi
(120 strony)
Kuchenki mikrofalowe Sharp R-309J Instrukcja Użytkownika
(7 strony)
Kuchenki mikrofalowe Sharp R-21HV Instrukcja Właściciela
(24 strony)
Kuchenki mikrofalowe Sharp R-899R Dokumentacja
(148 strony)
Kuchenki mikrofalowe Sharp R-662K Instrukcja Obsługi
(27 strony)
Kuchenki mikrofalowe Sharp R-142D Instrukcja Użytkownika
(32 strony)
Kuchenki mikrofalowe Sharp R-20A0 Instrukcja Operatora
(27 strony)
Kuchenki mikrofalowe Sharp R-420L Dokumentacja
(30 strony)
Kuchenki mikrofalowe Sharp R-633 Instrukcja Użytkownika
(76 strony)
Kuchenki mikrofalowe Sharp R-350J Dokumentacja
(63 strony)
Kuchenki mikrofalowe Sharp R-765M Dokumentacja
(298 strony)
Kuchenki mikrofalowe Sharp R-90GC Dokumentacja
(36 strony)
Drukuj dokument
Drukuj stronę 121
Komentarze do niniejszej Instrukcji