
AR-FX8 TEL / LIU PWB 4 - 2
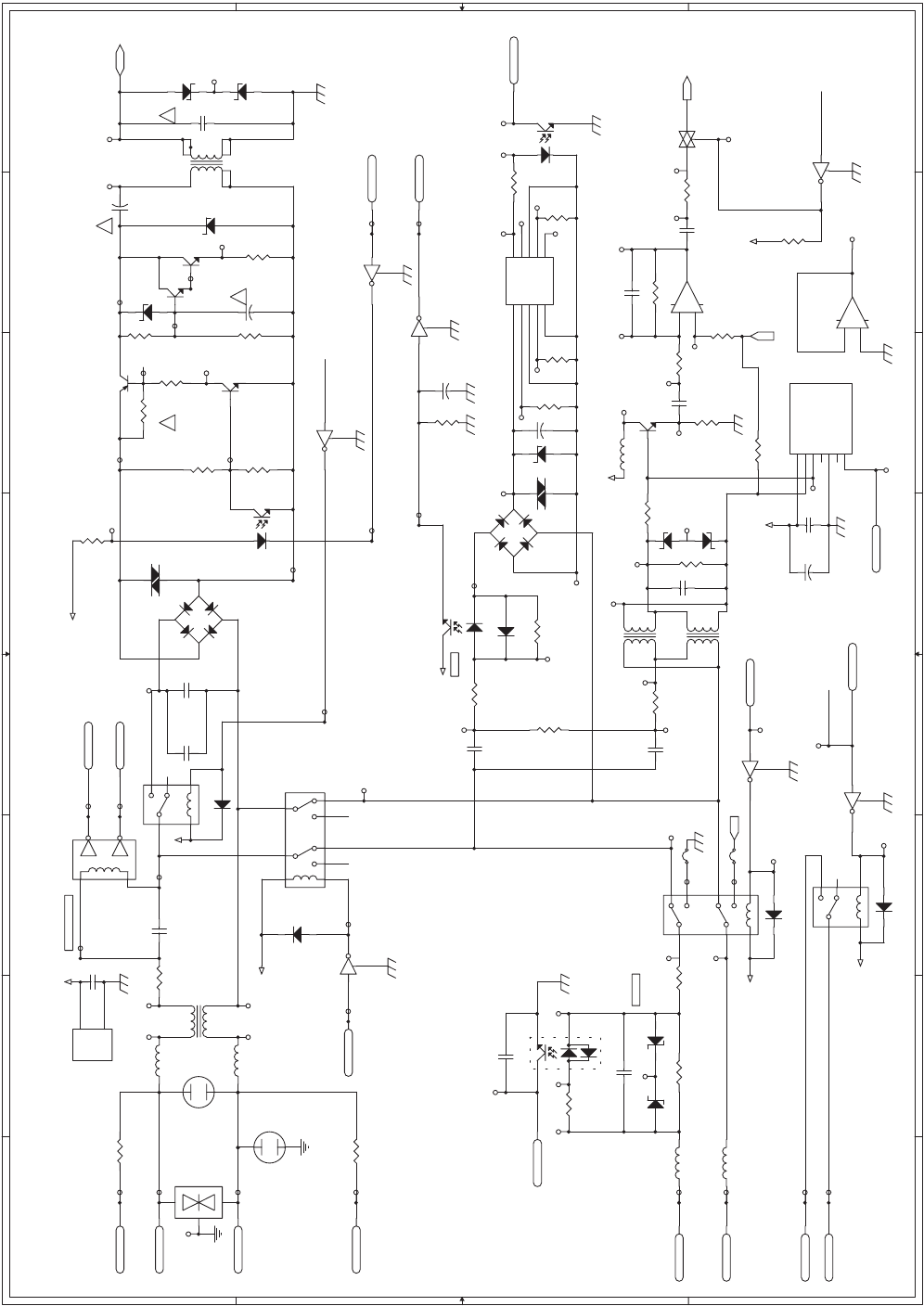
2. CIRCUIT DIAGRAM / 回路図
8
8
7
7
6
6
5
5
4
4
3
3
2
2
1
1
D D
C C
B B
A A
IC2
HS1/HS2
2-3B
2-1C
7
EXHS
3
3-6D
1-5A,1-3C
1-1A,1-5A
1-1A,1-3C
CI
1
2-3C,2-3B,2-4B
2-7C,2-7D,3-3B
1
1
1
1
LT2
/CID
BT1
/EXHS
/HS1
TEL1
S
CML
/HS2
BT2
/DP
LT1
CML
/CML
/FNETD
TEL2
CML
CML
VREF
CIP1
IN/OUT
MON
DG
AG
5V
DG
AG
DG
AG
AGS
12V
12V
ARG
ARG
DG
DG
5V
12VS
DG
12V
AG
DG
5V
12V
AG
12V
AG
AG
AG
AG
12VS
HZS2C1
ZD3
CP140
SA2
DSS-401M
CP126
C54
N.M
R58
27k
IC104A
BU4066B
13
12
CP120
CP127
CP113
CP14
CP165
CP139
CN2-16
D2
10E_4
CP12
CP11
CP128
CP153
DTC143ZKA
Q122
E
B C
L6
SBT0260
CP89
R11
10 1/4W
D8
1SS133
CP67
ZD1
MTZJ33BT-77
CP90
JP1
N.M
+
C36
4.7u/50V
CP19
CP133
CP149
R17
51k 1/4W
CP164
DTC143ZKA
Q104
E
BC
CP88
CP28
CP20
ZD5
MTZJ4.7BT-77
+
C1
22u/50V
N.M
Q101
E
BC
DS1
N.M
13
2
R21
120k 1/4W
CN2-15
MJ2-3
CP130
CP26
CP16
D9 1SS133
MJ2-6
R53
10 1/4W
CP111
R56
10k
CN2-9
ZD7
MTZJ8.2BT-77
30 1/4W
R18
C6
1u/250V
C32
1000p(B)
+
C10
0.33u/50V
VA1
N.M
CP156
DTC143ZKA
Q119
E
BC
C30
10u/16V N.P
R4
160k 1/4W
C31
10u/16V N.P
CP131
CP166
CN2-10
Q118
DTC143ZKA
E
B C
R26 1k
MJ2-4
CP144
CP27
CP155
R2
N.M
T3
TRTEP17-0411E
2 9
4 7
13 16
9
17
R39
18k 1/4W
CN2-25
R55
24k
CP4
CP23
RSH-12-U
RY4
4
6
8
11
9
13
161
C25
1000p/500V
MJ1-1
R13
2k 1W
CP92
CP61
CP142
CP117
T1
N.M
1 5
2 3
C17
N.M
CP66CP86
C15
N.M
CP167
CP17
CP115
C8 47u/16V N.P
CP141
CP136
CP62
JP2
N.M
R14
10k
91 1/4W
R10
CP118
ZD6
MTZJ33BT-77
N.M
RY1
2
7
1
11 12
CP150
CP116
C24
N.M
C7
N.M
CP65
CP124
CP68
R22
3k 1/4W
CP7
CP129
CP134
R5
6.8k 1/4W
R33
22k
CP152
C47
N.M
L2
SBT0260
MJ2-1
VA2
TNR7G101KT2
CP57
IC2
N.M
5
6
1
2
R30
4.7 1/2W
CP125
PC814A
PC3
21
4 3
CP9
RSH-12-U
RY3
4
6
8
11
9
13
16 1
R19
220k 1/4W
MJ1-2
MJ2-5
CP75
R20
100k 1/4W
R54
820k
CP132
R3
200k 1/4W
CP63
CP151
R25
20k
ZD4
MTZJ4.7BT-77
MJ2-2
D7 1SS133
HZS2C1
ZD2
PC4
PC817D
2 1
43
CP76
IC1
N.M
2
3
5
4
1
7
6
NC
GND
1300Hz_IN
NC
DET OUT
+Vcc
Bias
TA31076F
IC101
1
2
3
4
5
10
9
8
7
6
Vcc
Icont
LFI
LFO
GND
Dout
OUT
HFI
HFO
NC
CP13
D1
N.M
CP168
Q2
2SD1266A_O
-+
REC2
0R5G4B42
1
4
2
3
+
-
IC105A
NJM4558
3
2
1
L1
SBT0260
DTC143ZKA
Q121
E
BC
C9
1000p(B)
CP148
R8
22k
CP83
+
C16
N.M
ZD8
MTZJ4.7BT-77
CP6
R24
0
CP24
OUAZ-SH-112LZ
RY2
2
7
1
11 12
R12
0
CP22
R1
N.M
C23
JP
CP135
R38
30k 1/4W
CP114
DTC143ZKA
Q117
E
BC
R7
470 1/4W
Q109
C2412K-S
Q1
2SC3415P
CP25
CN2-26
CP3
T2
Z0140PE
6 3
4 1
PC2
TLP624BV
2 1
43
R23
1k
CP54
CN2-13
L7
SBT0260
+
-
IC105B
NJM4558
5
6
7
CP138
L8
ST110AV
2 1
3 4
CP84
CP112
R40
2.7k
PC1
PC817D
21
4 3
Q110
2SA1807_P
Q3
2SD592A_S
CP5
NF1
BLM11A121SPT
CN2-12
CN2-17
ZD9
MTZJ4.7BT-77
CP87
CP119
CP18
+
C26
4.7u/50V
-+
REC1
0R5G4B42
1
4
2
3
CN2-18
SA1
TNR5V471K
TEL/LIU PWB 1
Komentarze do niniejszej Instrukcji