Many
Manuals
search
Kategorie
Marki
Strona główna
Sharp
odtwarzacze CD
QT-MP5W
Dokumentacja
Sharp QT-MP5W Dokumentacja Strona 7
Pobierz
Podziel się
Dzielenie się
Dodaj do moich podręczników
Drukuj
Strona
/
32
Spis treści
ROZWIĄZYWANIE PROBLEMÓW
BOOKMARKI
Oceniono
.
/ 5. Na podstawie
oceny klientów
1
2
3
4
5
6
7
8
9
10
11
12
13
14
15
16
17
18
19
20
21
22
23
24
25
26
27
28
29
30
31
32
vi
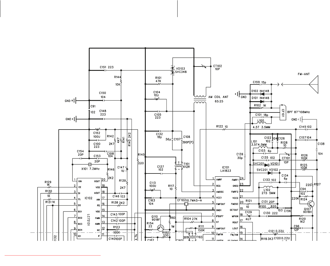
• Wiring diagram of this model is subject to change for improvement without prior notice.
Downloaded from
www.Manualslib.com
manuals search engine
Downloaded From Disc-Player.com Sharp Manuals
1
2
3
4
5
6
7
8
9
10
11
12
...
31
32
manuals search engine
1
Special notes
10
Precautions
12
Controls and indicators
13
Operation with AC power
15
Operation with batteries
15
General control
16
Listening to the radio
23
Setting the FM/AM interval
25
Listening to a cassette tape
26
Recording to a cassette tape
27
Enhancing your system
28
Troubleshooting chart
29
Maintenance
30
Specifications
31
Komentarze do niniejszej Instrukcji
Brak uwag
Publish
Powiązane produkty i podręczniki dla odtwarzacze CD Sharp QT-MP5W
odtwarzacze CD Sharp XL-UH220H Dokumentacja
(53 strony)
odtwarzacze CD Sharp XL-45H Dokumentacja
(39 strony)
odtwarzacze CD Sharp HT-DV50U Instrukcja Użytkownika
(66 strony)
odtwarzacze CD Sharp XL-65H Dokumentacja
(39 strony)
odtwarzacze CD Sharp QT-CD250H Dokumentacja
(12 strony)
odtwarzacze CD Sharp XL-HP500H Dokumentacja
(40 strony)
odtwarzacze CD Sharp XL-UH4H Dokumentacja
(44 strony)
odtwarzacze CD Sharp XL-MP100H Dokumentacja
(36 strony)
odtwarzacze CD Sharp CD-C4450 Dokumentacja
(144 strony)
odtwarzacze CD Sharp XL-MP80H Dokumentacja
(41 strony)
odtwarzacze CD Sharp CD-MPS800W Dokumentacja
(47 strony)
odtwarzacze CD Sharp CD-C482 Instrukcja Obsługi
(67 strony)
odtwarzacze CD Sharp XL-HP404H Dokumentacja
(36 strony)
odtwarzacze CD Sharp HT-CN650DVW Dokumentacja
(60 strony)
odtwarzacze CD Sharp CD-MPX870H Dokumentacja
(57 strony)
odtwarzacze CD Sharp XL-HP535E Dokumentacja
(40 strony)
odtwarzacze CD Sharp QT-UH4H Dokumentacja
(35 strony)
odtwarzacze CD Sharp CD180 Dokumentacja
(12 strony)
odtwarzacze CD Sharp XL-MP110E Dokumentacja
(40 strony)
odtwarzacze CD Sharp XL-3000V Dokumentacja
(28 strony)
Drukuj dokument
Drukuj stronę 7
Komentarze do niniejszej Instrukcji