
MD-R3
– 34 –
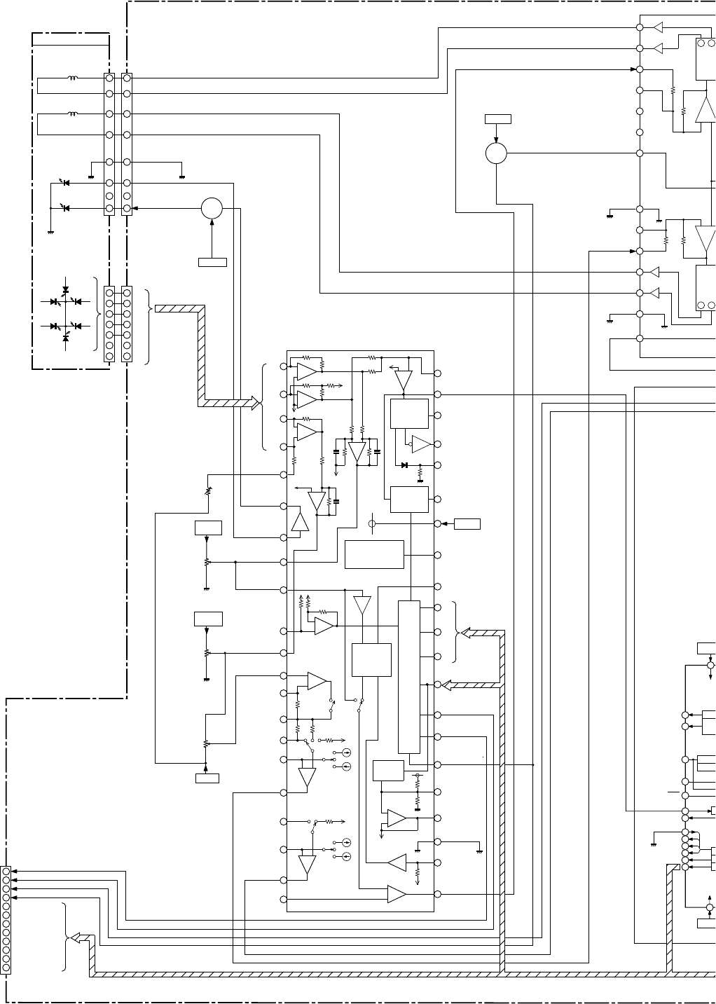
Figure 34 BLOCK DIAGRAM (1/4)
39
15
41
18
16
40
17
19
20
7
6
2
5
3
1
42
41
40
39
38
36
35
34
33
32
10
11
12
13
14
15
16
17
18
19
20
21
31
30
29
28
27
26
25
24
23
22
37
1
2
3
4
5
6
7
8
9
10
11
12
9
5
4
3
6
7
8
2
1
1
2
3
4
5
6
7
8
9
10
11
12
13
14
8
7
6
5
4
3
2
1
1
2
3
4
5
6
7
6
7
1
2
3
4
5
8
7
6
5
4
3
2
1
OP OUT
GND
CH2-OUTA
CH2-OUTB
CH2-INA
CH2-INB
MUTE
VREG OUT
GND
TR-B
CH1-INB
CH1-INA
CH1-OUTB
CH1-OUTA
D. BUF
D. BUF
LEVEL
SHIFT
6.65K
10K
6.65K
10K
–
+
+–
LEVEL
SHIFT
D. BUF
D. BUF
–
+
– +
SY
PR
EF
PHA
ANAL
VDD
DIGIT
VD
VDD2
VDD1
SBQS
EMP
SCAND
SBCO
SCCK
TLC
HF
HFD
LPF
EFFK
SYCLK
IREF
+
+
+
–
–
–
22K
FSR
10K
10K
10K
RESET
22K
22K
22K
I/F
82K
33K
1K
47K
TC DET
FZC
FOCUS
SEARCH
CURRENT
REFERENCE
APC
100K
5P
72K
72K
10K
10K
330K
MR
50K
HFOK
+–
+
–
+
–
+
–
+–
10K
10K
11K
48K
48K
22K
11K
60K
+–
+
–
+
–
+–
E
F
SS–
FS OUT
GND
JP1
MSD
MLA
MCK
C-FSR
IREF
Vcc
MRC
HFC
HFD
HFI
HFO
HF–
FSR IN
VREF
DOUT
ACLR
EF BAL
APC OUT
A+C
B+D
FE OUT
APC IN
FS+
TC IN
TE
TE+
TE–
TE OUT
TG
TS–
TS OUT
SS FIL
SS OUT
FS–
VCC/2
SERVO
+5V
SERVO
+5V
APC SW
CRCF
Q701
Q751
1/2Vcc
HF AMP
15P
15P
7.7K
TE AMP
TE2 AMP
10UA
20UA
SS AMP
FS AMP
LOCK/DRD
MOD1
SBQS
MOD0
PU-IN
D-OUT
JP1
MSD
MLAD
MCK
LASER DRIVER
CD+5V
VR751
CD+5V
VR754
TRACKING
OFFSET
VR753
TRACKING
GAIN
VR752
VOLTAGE
REGULATOR
CD+5V
CD+5
CD+5
MLAS
TRACKING
ERROR
BALANCE
FOCUS
OFFSET
LD-ON
CNP800
LD
MD
OPTICAL PICKUP UNIT
TRACKING COIL
FOCUS COIL
SERVO CONTROL
IC750
M62472FP
FOCUS/TRACKING/
SPIN/SLIDE DRIVER
BA5914FP
IC700
Komentarze do niniejszej Instrukcji