Many
Manuals
search
Kategorie
Marki
Strona główna
Sharp
Kamery
VL-AH150
Instrukcja Obsługi
Sharp VL-AH150 Instrukcja Obsługi Strona 51
Pobierz
Podziel się
Dzielenie się
Dodaj do moich podręczników
Drukuj
Strona
/
92
Spis treści
BOOKMARKI
Oceniono
.
/ 5. Na podstawie
oceny klientów
1
2
3
4
5
6
7
8
9
10
11
12
13
14
15
16
17
18
19
20
21
22
23
24
25
26
27
28
29
30
31
32
33
34
35
36
37
38
39
40
41
42
43
44
45
46
47
48
49
50
51
52
53
54
55
56
57
58
59
60
61
62
63
64
65
66
67
68
69
70
71
72
73
74
75
76
77
78
79
80
81
82
83
84
85
86
87
88
89
90
91
92
VL-AH150U
VL-AH160U
123456789
1
0
11
12
13
14
15
16
17
18
19
20
A
B
C
D
E
F
G
H
I
J
58~59
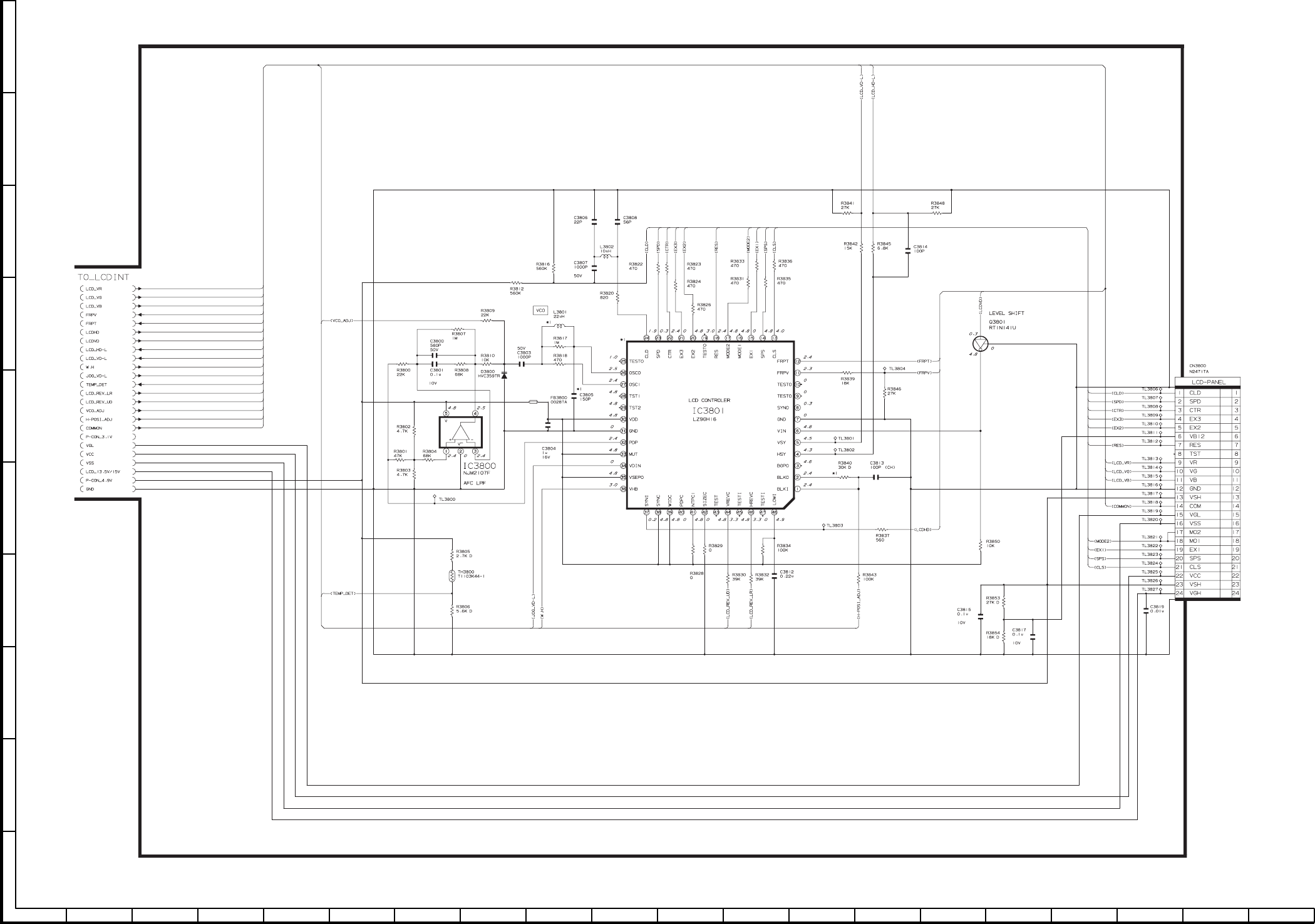
8-8. LCD_CTL SCHEMATIC DIAGRAM(VL-AH150U)
1
2
...
46
47
48
49
50
51
52
53
54
55
56
...
91
92
SERVICE MANUAL
1
1. IMPORTANT SERVICE NOTES
2
ATTENTION
3
CAUTION
4
2. SPECIFICATIONS
5
3. PART NAMES AND FUNCTION
6
4. DISASSEMBLY OF THE SET
7
LZ2413H5
12
5. MECHANISM ADJUSTMENT
13
5-2-2. Notes and cautions
14
Reel support surface
15
Rise waveform
17
REV OK Playback
17
REV NG Playback
17
5-4-4. Adjusting the Tu guide
18
5-5-1. Mechanism modes
19
5-5-2. Cassette control ass’y
20
5-5-4. Drum and Drum base
20
5-5-5. Phase matching
21
Insert the part in the rail
22
6-1. INITIAL SETTING OF E
24
6-3-2-1. Typical connections
25
<Extension Cable etc.>
25
0000 00
26
6-3-3-1. Adjusting the power
28
circuit
28
Standard value
29
6-4-2. Adjustment procedures
32
286mVp-p
33
6-5. TROUBLE SHOOTING
35
6-5-3. Charging mode troubles
36
7. SYSTEM BLOCK DIAGRAMS
37
VL-AH150U
38
VL-AH160U
38
ADD 43, 44, 45, 46
39
ADD 3F, 40, 41, 42
39
7-5. LENS DRIVE BLOCK DIAGRAM
42
- M E M O
43
RUNTZ0404TAZZ
44
(VL-AH160U)
44
(VL-AH150U/UC)
44
8-3. ZOOM SCHEMATIC DIAGRAM
46
8-4. DSP SCHEMATIC DIAGRAM
47
8-5. AUDIO SCHEMATIC DIAGRAM
48
8-6. SYSCON SCHEMATIC DIAGRAM
49
8-10. POWER SCHEMATIC DIAGRAM
53
8-11. I/O SCHEMATIC DIAGRAM
54
8-14. RF SCHEMATIC DIAGRAM
57
8-15. TG SCHEMATIC DIAGRAM
58
8-16. CDS SCHEMATIC DIAGRAM
59
8-17. LDRV SCHEMATIC DIAGRAM
60
8-20. CCD SCHEMATIC DIAGRAM
63
VCR PWB Wiring Side SIDE A
65
VCR PWB Wiring Side SIDE B
67
10. REPLACEMENT PARTS LIST/
75
EXPLODED VIEWS
75
PACKAGED CIRCUITS
76
COILS AND TRANSFORMER
76
CAPACITORS
77
RESISTORS
79
MECHANISM PARTS
85
CABINET PARTS LIST
86
(NOT REPLACEMENT ITEM)
87
CABINET EXPLODED VIEW
89
11. PACKING OF THE SET
91
ALL RIGHTS RESERVED
92
Komentarze do niniejszej Instrukcji
Brak uwag
Publish
Powiązane produkty i podręczniki dla Kamery Sharp VL-AH150
Kamery Sharp VL-MC500U Instrukcja Obsługi
(116 strony)
Kamery Sharp ViewCam VL-NZ100U Dokumentacja
(112 strony)
Kamery Sharp OZ-640 Instrukcja Użytkownika
(2 strony)
Kamery Sharp VN-EZ1U Instrukcja Obsługi
(58 strony)
Kamery Sharp Viewcam VN-EZ1U Dokumentacja
(42 strony)
Kamery Sharp VL-WD250S Instrukcja Obsługi
(139 strony)
Kamery Sharp VL-A10U Instrukcja Obsługi
(97 strony)
Kamery Sharp VL-C650S Instrukcja Obsługi
(148 strony)
Kamery Sharp VL-AX1U Instrukcja Obsługi
(117 strony)
Kamery Sharp VN-EZ1U Instrukcja Użytkownika
(14 strony)
Kamery Sharp VL-NZ50U Instrukcja Obsługi
(124 strony)
Kamery Sharp VL-A111S Instrukcja Obsługi
(96 strony)
Kamery Sharp VL-NZ50U - MiniDV Compact Digital Viewcam Dokumentacja
(84 strony)
Kamery Sharp VL-AH131E Dokumentacja
(72 strony)
Kamery Sharp R-520E Dokumentacja
(136 strony)
Kamery Sharp VL-WD450U Dokumentacja
(120 strony)
Kamery Sharp VIEWCAM VL-A10H Dokumentacja
(63 strony)
Kamery Sharp VL-C650S Instrukcja Obsługi
(112 strony)
Kamery Sharp VN-EZ1U Dokumentacja
(49 strony)
Kamery Sharp VL-Z1U Instrukcja Obsługi
(129 strony)
Drukuj dokument
Drukuj stronę 51
Komentarze do niniejszej Instrukcji